澳克泰工具金属陶瓷刀片获评2024年度中国机床工具工业协会“自主创新十佳”

4月21日,第十九届中国国际机床展览会(CIMT2025)开幕当天,中国机床工具工业协会举办了2024年度“自主创新十佳”和“产品质量十佳”调研成果发布仪式。澳克泰工具在创新道路上砥砺前行,凭借持续的研发投入和不懈努力,产品AT202/AT210A金属陶瓷刀片荣获中国机床工具工业协会颁发的“2024年度自主创新十佳”荣誉!

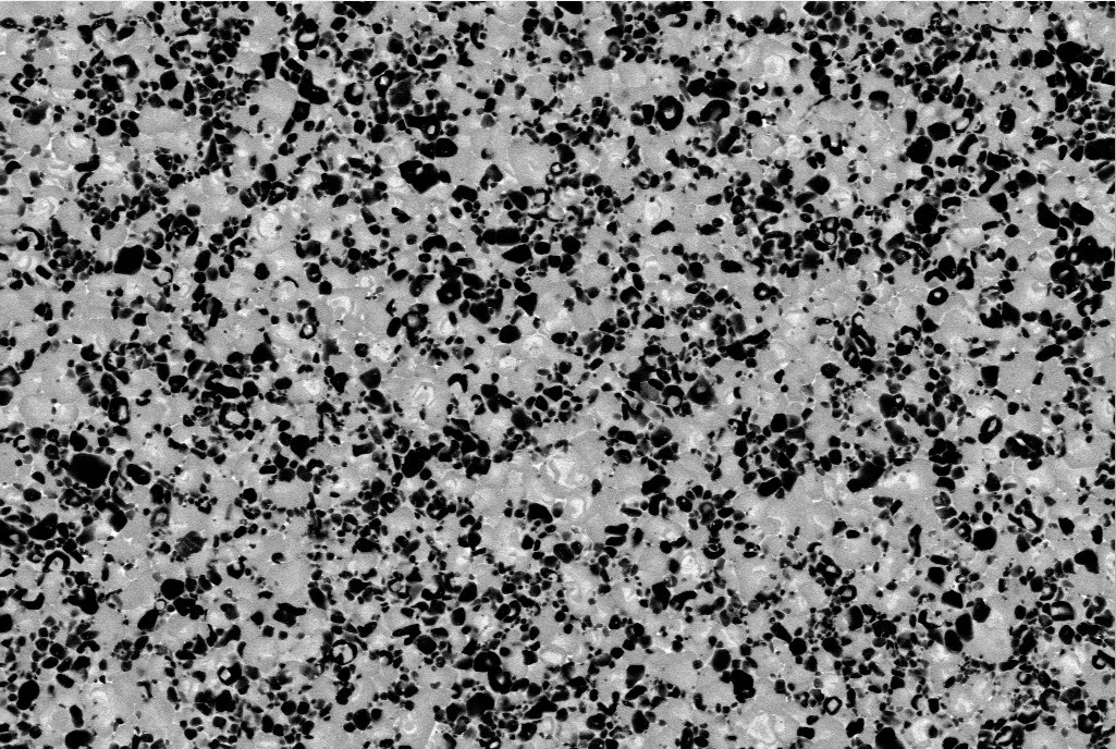
随着新能源汽车,精密电子,医疗器械等行业的兴起,金属零部件的表面精加工比重日益上升。Ti(C,N)基金属陶瓷因具有优异的高温硬度、化学稳定性、抗高温塑性变形能力及其与铁基金属间低的摩擦系数,可实现高端装备零部件的高速精密切削。
澳克泰工具面向行业精密加工需求,成功推出具有自主知识产权的Ti(C,N)基金属陶瓷刀具AT202与涂层金属陶瓷AT210A两大创新产品。其中AT202产品采用"芯环"硬质相精密调控技术,通过构建均匀致密的硬质相-粘结相复合结构,实现了耐磨性和抗冲击性能的协同提升;AT210A产品创新采用梯度功能材料设计和界面强化理念,结合纳米多层复合涂层技术,实现了国内首款梯度结构Ti(C,N)基金属陶瓷涂层刀具的产业化,填补了我国该领域的技术空白。产品凭借独特的性能优势,经行业验证,在高线速加工条件下,对通用机械、精密电子和新能源等领域的关键零部件精密加工中,可显著提升加工效率和被加工材料的表面质量。产品整体技术水平达到国际先进水平,其中基体和涂层的微结构定向调控技术处于国际领先水平,为高端装备制造业的精密化、高效化、绿色化发展提供强有力的技术支撑。


- 梯度化功能层的设计,可实现耐磨性和抗崩性的平衡。
- 超细晶硬质相与复合粘接相的组合,可获得优异的精加工面。

- 纳米交替层的设计,具有较高的高耐磨性和高温抗氧化性,可获得稳定的加工寿命。
- 适用于钢件材料的连续和轻中等车削加工。